欢迎光临上海伟司机械设备有限公司有限公司官网!
10年专注吸盘吸盘定制生产厂家
全国咨询热线:13166477091
联系我们
上海伟司机械设备有限公司
全国免费服务热线:13166477091
手机:13166477090
邮箱:
地址 :上海市奉贤区展发路198号5号楼
联系人:闻成都 先生 (总经理)

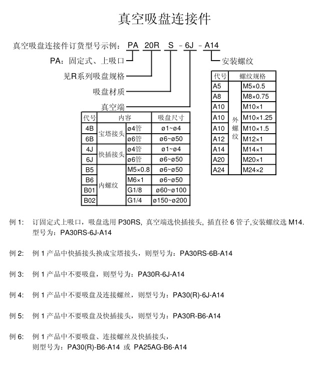
PA20R()-6B-A14

江浙沪满600元包邮,开13%增值税专用发票,默认顺丰(如需普通快递(中通)请联系我们,除周日,国定节假日不发货,谢谢!

工作时间周一~周六   8:30——17:30

上海伟特内页2_04

 undefined



undefined
 

 

 undefined
    ()——材质

RGMTYG2UJ@SDP(]ME0_O3$I  L33_$XOU8[(ZQ`ITD$K4]A8

IMG_20201120_150635

 

undefined
 




 

 

undefined
undefined

标签:
在线客服
联系方式

热线电话

13166477090

上班时间

周一到周五

公司电话

13166477091

二维码
线